0086-(0)755-28125866 / 0086-13715349794
中文
中文
English
网站首页
关于我们
产品中心
代理品牌
应用案例
新闻资讯
人才招聘
联系我们
当前位置:
网站首页
»
产品中心
»
DC风扇
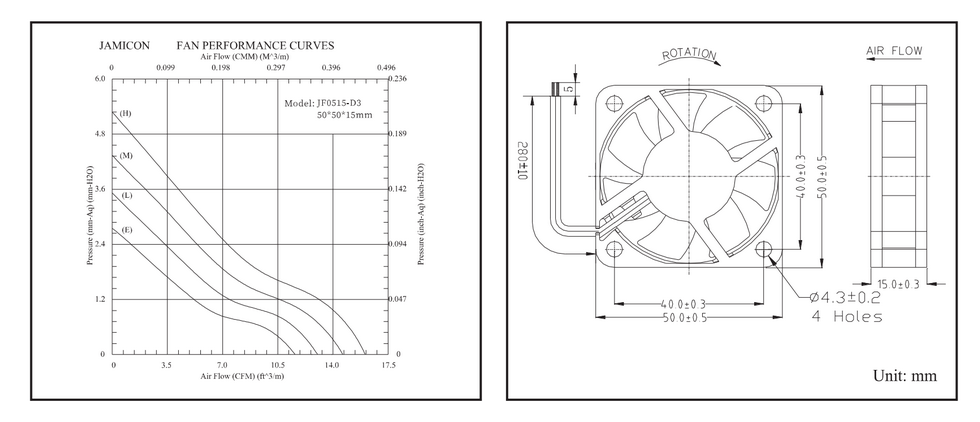
名称:JF0515-D3
在线咨询
产品详情
Size:50*50*15mm
Frame:Plastic Material UL 94V-0
Impeller:plastic Material UL 94V-0
Speed Range:±10%
分享到:
点击次数:
更新时间:2024-05-22 10:33:09 【
打印此页
】 【
关闭
】
上一条:
UF1238-11
下一条:
KF1225-F3
跟此产品相关的产品
KF1225-SL
KF0620-02
SF1238-55
UF0938-11
留言给我们
坚持品质就是企业生命
推荐新闻
more+
淳硕科技(深圳)有限公司-2015新版公司网站改版正式上线!
2021-09-07
联发科上半年获利衰退41.7%大陆手机市场萎缩成主
2021-07-14
防褥疮气垫床如何使用?
2021-07-14
防褥疮气垫床对预防褥疮有什么作用?
2021-07-11